NetCalc - an RF Impedance Calculator

Credits

This program NetCalc is broadly based on NETCALC - an RF Impedance Calculator by Ian White, GM3SEK.
NETCALC can be executed on various versions of the Microsoft Windows Operating System.

The L-section code in NetCalc is based on a PERL program by Claude Frantz.

NetCalc

NetCalc is a push-button calculator.

Two versions of NetCalc are currently available.

This version is a Yahoo! Widget which can be downloaded here.
It uses the Yahoo! Widget Engine and runs on Mac OS X and Windows.

There is also a new web widget which can be run in most browsers.

Using NetCalc

Here is a view of the program when it first opens.

image

NetCalc displays a number of complex impedance registers, labeled A, Z, P, Z0, N, and rho. The Z and A registers are the first and second elements of a stack.
Note: In Ian White's NETCALC program the first and second elements of the stack are called X and Y.
NetCalc also displays a complex admittance register, labeled Y, which is also used as a general display register.

The impedances each consist of two terms: resistance and reactance. You can do things to the Z impedance alone, or combine the Z and A impedances in various ways.

You have three principal options:

Impedances are entered via the panel at the top right and transfered to the Z register by use of the + and || buttons.

Operations on the Z (and A) register(s) are performed using the buttons at the bottom right. The command names are the same as those in NETCALC, so you should read the NETCALC instructions before attempting to use the program.

The Z and A registers appear in the panel at the top left. The Z register is also shown in parallel form in the P register.

The environment parameters are entered in the middle left panel, apart from Z0 which must first be entered via the impedance input panel and transferred from Z to Z0 using the Z0 button. Complex characteristic impedances can be entered if desired.

Many of the circuit parameters are recomputed at every operation. Others are computed as required.

The panel at the bottom left displays the normalised value of Z in the N register and the reflection coefficient (in polar form) in the rho register. The normalised admittance is displayed in the Y register, which is also used as a general display register.

Normalized Impedance = Z/Z0 = R/Z0 + jX/Z0
Normalized Admittance = 1/N = Z0/Z = Z0/(R + jX) = Z0R/(R^2 + X^2) +j(-Z0X)/(R^2 + X^2)

There are buttons to compute the modulus of Z and of N, and four buttons to produce a rudimentary display similar to that on a Smith Chart.

Buttons and Operations

Note: => operator means first operand is pushed onto stack at second operand.

Data input (top right)

R +  L  Z => A, R +  L -> Z
R || L  Z => A, R || L -> Z

R +  X  Z => A, R +  X -> Z
R || X  Z => A, R || X -> Z

R +  C  Z => A, R +  C -> Z
R || C  Z => A, R || C -> Z

Calculation (bottom right)

Rn      Z => A, Rn -> Z
E       Z <-> A
+       Z +  A -> Z, pop(A)
||      Z || A -> Z, pop(A)

?n      Rn -> Y
J       Z* -> Z
*       Z * Factor -> Z
/       Z / Factor -> Z

Mn      Z -> Mn
Z0      Z -> Z0
T       Z + T(Z0, F, V, length) -> Z
C       A -> Z, pop(A)

Q       x/r -> Y, where Z = r + jx
Z       if x >= 0, L = x/(2πF)   -> Y, where Z = r + jx
        if x <  0, C =  (-2πF)*x -> Y, where Z = r + jx
L       L(Z, Z0, F, V) -> Y
W       (1 +|rho|)/(1 - |rho|) -> Y,
        where rho = ((Z/Z0) - 1)/((Z/Z0) + 1)
LS      Displays L-sections matching the load Z to the real part of Z0

Calculation (bottom left)

|Z|     |Z| -> Y
|N|     |Z/Z0| -> Y

Chart Drawing (bottom left)

The CIRCLE, POINT, S and CS buttons are used as follows:

Here is a view of a chart:

RX impedance chart

The three available charts are the RX impedance chart (as displayed above), the GB admittance chart and the RG combined chart as displayed below.

GB admittance chart

RG impedance chart


The Pi-Tank Example

Pi-Tank Example
See the Pi-Tank Example by Ian White, GM3SEK.
1:	Enter 3.75 in the F field - set popup to MHz.

2:	Consider C2 in parallel with the 50Ω load:
	Enter 50 in the R field - set the popup to Ω.
	Enter 1375 in the C field - set popup to pF.
	Press || button next to C field.
Result of step 2
	Result is 50.000001 || -30.866413 in the P register,
	      and 13.796821,-22.349246 in the Z register.

3:	Not needed.

4:	Consider L in series with the result of step 2:
	Enter 0 in the R field
	Enter 7.02 in the L field - set the popup to µH.
	Press + button next to the L field.

	Result is 0.000000,165.404853 in Z the register,
          and Infinity || 165.404853 in the P register.

	Previous result moves up into the A register.

Result of step 4
5:	Press + button (lower right).

	Result is 13.796821,143.055607 in the Z register,
	     and  1497.102772 || 144.386224 in the P register
Result of step 5
6:	Not needed.
Result of step 5
7:	Consider C1 in parallel with the result of step 5:
	Enter 0 in the R field
	Enter 294 in the C field - set the popup to pF.
	Press + button next to the C field.

	Result is 0.000000,-144.358225 in the Z register,
	          and Infinity || -144.358225 in the P register

	Previous result moves up into the A register.
Result of step 7
8:	Press || button (lower right).

	Result is 1497.096717,-3.010799 in the Z register,
	      and 1497.102772 || -744422.874115 in the P register

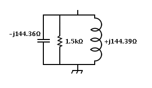
Here is the resulting equivalent circuit to the Pi-Tank.
Equivalent Circuit

License

NetCalc is Copyright © 2001-2019 Harry Whitfield (G6AUC), All Rights Reserved.

This program is free software; you can redistribute it and/or modify it under the terms of the GNU General Public License as published by the Free Software Foundation; either version 2 of the License, or (at your option) any later version.

This program is distributed in the hope that it will be useful, but WITHOUT ANY WARRANTY; without even the implied warranty of MERCHANTABILITY or FITNESS FOR A PARTICULAR PURPOSE. See the GNU General Public License for more details.

You should have received a copy of the GNU General Public License along with this program; if not, write to the Free Software Foundation, Inc., 51 Franklin St, Fifth Floor, Boston, MA 02110-1301 USA



Monday, January 28, 2019.